Описание
Грохот инерционный ГИТ-32М предназначен для рассева сыпучих материалов с объемной массой насыпного груза не более 2,8 т/м3 и применяется на предприятиях черной и цветной металлургии, а также строительной промышленности в качестве технологического оборудования.
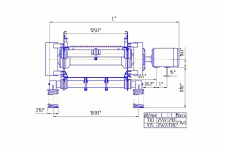
Технические характеристики
| Наименование показателя | Показатель |
|---|---|
| Размеры просеивающей поверхности, мм | |
| - длина | 3000 |
| - ширина | 1250 |
| Число ярусов сит, ед. | 2 |
| Угол наклона просеивающей поверхности, град | 15-30 |
| Амплитуда колебаний, мм | 3-5 |
| Номинальная мощность двигателя, кВт | 11 |
| Частота колебаний короба, мин-1 | 730-970 |
| Амплитудное значение ускорения, м/с2, не менее | 26 |
| Крупность кусков питания, мм, не более | 300 |
| Номинальная мощность, кВт (электродвигатель 5А180М8УЗ) | 11 |
| Частота вращения вала, об/мин (электродвигатель 5А180М8УЗ) | 730 |
| Частота вращения вала, об/мин (электродвигатель 5А160SУЗ или АИР160S6УЗ) | 970 |
| Масса, кг (электродвигатель 5А180М8УЗ) | 160 |
| Масса, кг (электродвигатель 5А160SУЗ или АИР160S6УЗ) | 130 |
| Габаритные размеры колеблющейся части грохота, кг, не более | |
| - длина | 3155 |
| - ширина | 1965 |
| - высота | 1170 |
| Масса колеблющейся части (без привода, рам, пылезащитного укрытия), кг, не более | 2820 |
| Масса укрытия, кг, не более | 2310 |
| Корректированный уровень звуковой мощности, дБа, не более | 108 |